
Complete range of our aluminum profiles available on the website: www.omar- Alluminio.it

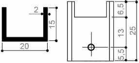
CODE ART.122 : heat sink in U-shaped sheared / drilled and black anodized aluminum
Omar srl: Milan-based company specializing in the supply and trade of extruded drawn aluminum profiles in bars, rods, raw or anodized; heat sinks for electronics; commercial extruded aluminum bars (angular, grooved, flat, tube, L), special and custom made. Furthermore, modular aluminum profiles for robotics, hydraulic distributors, pneumatics, actuators, profiles for stands, extruded profiles for shipyards, aluminum profiles for mechatronics, linear movements, aluminum extrusions for skirting boards / baseboards / covings, extrusions for printing blades , extrusions for photovoltaic / heating systems, aluminum extrusions for LED strips, polycarbonate covers for LED strips, aluminum profiles for illuminated signs, extrusions for electronic board containers for panel instruments, extruded aluminum profiles for street furniture, aluminum profiles aluminum for armored heating elements / heaters and machining of aluminum profiles.
	Copyright © Omar srl . All rights reserved.
	Cookies: This site does NOT use any profiling cookies